阀门型号编制说明
| Q | 9 | 4 | 7 | F | -16 | P |
| 阀门类型 | 动作方式 | 连接方式 | 阀门结构 | 密封材料 | 公称压力 | 阀体材质 |
| Q:球阀 | 9:电动 | 4:法兰 | 7:固定式 | F:聚四氟乙烯 | 16:1.6MPa | C:碳钢 |
| H:不锈钢合金 | 25:2.5MPa | P:不锈钢304 | ||||
| Y:硬质合金 | 40:4.0MPa | R:不锈钢316 |
■ 固定式电动球阀 产品特点
1,双阻塞与排放功能:固定式电动球阀采用弹簧预紧浮动阀座,无论阀门处于全开或全关状态时,上下游侧的阀座使流体阻断,阀体中腔滞留物通过排放阀排泄。
2,自动泄压功能:阀门体腔停留介质温度升高而引起异常升压时,不需通过安全阀,而仅靠阀座功能就可自动泄压,这对保证阀门在输送液体介质时的安全性非常重要。
3,防火安全结构:都具备防火安全功能,其设计、制造均遵循API 607和API 6FA 规范要求。
4,密封紧急注脂救护:由于介质中的异物或火灾造成阀座密封意外失效,注脂阀提供了与注脂枪的快速连接,方便快捷地将密封脂注入到阀座密封部位,缓解泄漏。
5,可靠的阀杆密封和低操作力矩:除了设置标准密封套圈外,填料压盖上也设置了“O”型密封圈,双重密封保证了阀杆密封的可靠性;增设的石墨填料和密封脂注入使火灾后的阀杆泄漏降至最低。阀杆滑动轴承和止推轴承使阀门操作轻便。
6,阀杆可加长:根据安装或操作的需要,可对阀门阀杆进行加长。加长杆球阀,特别适用于城市煤气等需要埋地铺设管线的场合。加长阀杆尺寸按客户需要确定。
7,操作灵活:采用具有小摩擦系数和良好自润滑性的阀座和阀杆轴承,大大地减少了阀门的操作扭矩。因此即使在没有提供密封润滑脂的情形下,也能够长期灵活自如地对阀门进行操作。
8,方便安装电动、气动执行器,节省安装空间。配用ZTD、ZTHQ等系列电动执行机构,AC220V或AC380V电源即可控制运转,对阀门进行开关控制。
■ 固定式电动球阀 主要零件材质
| 零件名称 | 材 料 |
| 阀 体 | WCB、CF8、CF8M |
| 球 体 | 2Cr13、CF8、CF8M |
| 密 封 圈 | PTFE、PPL、2C13+渗氮、304/316+STL合金 |
| 阀 杆 | 2Cr13、CF8、CF8M |
| 阀座弹簧 | 17-7PH |
| 阀座支撑圈 | 2Cr13、304、316 |
| 止推轴衬 | PTFE、石墨 |
| 填 料 | PTFE、石墨 |
| 公称通径 | DN(mm) | 50~350 | |||
| 公称压力 | PN(MPa) | 1.6 | 2.5 | 4.0 | 6.4 |
| 试验压力(MPa) | 强度试验 | 2.4 | 3.75 | 6.0 | 8.6 |
| 密封试验(水) | 1.76 | 2.75 | 4.4 | 7.04 | |
密封试验(气) | 0.6 | ||||
| 泄 漏 量 | A级(软密封)、V级(硬密封) | ||||
| 设计标准 | GB/T12237-1989 | ||||
| 法兰连接尺寸 | GB/T9113.1-2000、JB/T79-94、HG20592-1997 | ||||
| 结构长度 | GB/T12221-2005,ISO 5752/EN558-1 | ||||
| 压力温度额定值 | GB/T12224-2007、ASME B16.34-2003、ISO 7005-1 | ||||
| 压力试验 | GB/T 13927、JB/T9092-1999 | ||||
| 适用介质 | 水,污水,蒸汽,空气,各种油类,酸类,碱类,盐类等。 | ||||
| 适用温度 | 聚四氟乙烯≤150℃,合金硬密封≤550℃ | ||||
| 驱动方式 | 电 动 | ||||
| 电动执行器 | ZTD型、ZTHQ型、DZW型、用户指定产品 | ||||
| 防护等级 | IP54/IP67/IP68 | ||||
| 控制形式 | 开 关 型 | ||||
| 电 压 | AC220V/AC380V/AC110V/DC24V | ||||

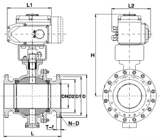
■ 固定式电动球阀 外形尺寸 单位:mm
| DN | H | L1 | L2 | 1.6MPa | 2.5MPa | 电动执行器 | ||||||
| L | D | D1 | N-D | L | D | D1 | N-D | |||||
| 50 | 244 | 260 | 109 | 216 | 165 | 125 | 4-18 | 216 | 165 | 125 | 4-18 | ZTD-10 |
| 65 | 278 | 286 | 120 | 241 | 185 | 145 | 4-18 | 241 | 185 | 145 | 8-18 | ZTD-15 |
| 80 | 304 | 286 | 120 | 283 | 200 | 160 | 8-18 | 283 | 200 | 160 | 8-18 | ZTD-20 |
| 100 | 353 | 340 | 142 | 305 | 220 | 180 | 8-18 | 305 | 235 | 190 | 8-23 | ZTD-40 |
| 125 | 518 | 480 | 174 | 356 | 250 | 210 | 8-18 | 381 | 270 | 220 | 8-25 | ZTD-60 |
| 150 | 592 | 538 | 206 | 394 | 285 | 240 | 8-23 | 403 | 300 | 250 | 8-25 | ZTD-100 |
| 200 | 685 | 568 | 226 | 457 | 340 | 295 | 12-23 | 502 | 360 | 310 | 12-25 | DZW-15 |
| 250 | 816 | 660 | 260 | 533 | 405 | 355 | 12-25 | 568 | 425 | 370 | 12-30 | DZW-20 |
| 300 | 940 | 740 | 394 | 610 | 460 | 410 | 12-25 | 648 | 485 | 430 | 16-30 | DZW-30 |
| 350 | 1015 | 830 | 430 | 686 | 520 | 470 | 16-25 | 762 | 550 | 490 | 16-34 | DZW-45 |
以上尺寸为PTFE密封尺寸,硬密封以及PN40压力以上的配置参数尺寸,配ZTHQ或DZW型电动执行器的参数,请与销售部联系!
固定式电动球阀安装图
