阀门型号编制说明
| VQ | 9 | 4 | 7 | F | -16 | P |
| 阀门类型 | 动作方式 | 连接方式 | 阀门结构 | 密封材料 | 公称压力 | 阀体材质 |
| VQ:V型球阀 | 9:电动 | 4:法兰 | 7:固定式 | F:聚四氟乙烯 | 16:1.6MPa | C:碳钢 |
| 7:对夹 | H:硬密封 | 25:2.5MPa | P:不锈钢304 | |||
| Y:硬质合金 | R:不锈钢316 |
■ 电动V型调节球阀 产品特点
1、我公司引进欧洲技术开发生产的电动V型调节球阀,阀芯上开有V型切口,与硬密封阀座相对转动产生剪切力,可将纤维切断,防止卡死。与普通的O型球阀一样密封性能好,同时具备调节和开关两种功能。具有流通能力,调节精度高,可调比大,密封性好,重量轻等特点。适用于除小口径,角型、三通连接外的大部分场合,是替代进口产品的最佳产品,特别适用于泥浆和含有纤维性介质,以及含有微小固体悬浮物介质的调节。广泛应用于造纸业、制糖、石油、化工、冶金等工业自动控制系统中。
2、电动V型调节球阀的阀体整体式结构:对夹式和法兰式V型球阀阀体都是整体侧装式结构,结构刚性强,不容易一起变形和外泄。
3、上下自润滑轴承:阀体内装有自润滑轴承,与阀杆接触面积大,承载能力高,摩擦系数小,阀门扭矩小。
4、阀座可选择:金属硬密封阀座表面堆焊硬质合金,球表面镀硬铬或喷焊、离子氮化等硬化处理,使密封面使用寿命增强,耐温提高;软密封PTFE阀座密封性好,耐腐蚀,适应范围广。
5、经济实用性:阀体重量轻,扭矩小,配用气动或电动执行器相应规格小,与其它类型的调节阀相比,性价比高。
6、介质适用范围广:由于V型开口与阀座之间的剪切作用力,及阀内腔流道光滑平整,介质不易积存与阀腔内部,所以她除了适合液体介质外,更适合带纤维及固体颗粒介质的系统控制。
7、配用ZTD、ZTHQ等系列电动执行机构,无需另配伺服放大器,输入(4-20mADC或1-5ADC)信号及AC220V电源即可控制运转,实现对压力、流量、温度、液位等参数的调节。
■ 电动V型调节球阀 主要零件材质
| 零件名称 | 材 料 |
| 电动执行器 | 铝合金 |
| 阀体、密封座盖 | WCB、CF8、CF8M |
| 球 体 | 2Cr13、CF8、CF8M |
| 密 封 圈 | PTFE、2C13+渗氮、304/316+STL合金 |
| 阀 杆 | 17-4PH |
| 弹 簧 | 17-7PH |
| 填 料 | PTFE、石墨 |
| 公称通径 | DN(mm) | 25~400 | |
| 公称压力 | PN(MPa) | 1.6 | 2.5 |
| 试验压力(Mpa) | 强度试验 | 2.4 | 3.75 |
| 密封试验(水) | 1.76 | 2.75 | |
密封试验(气) | 0.6 | ||
| 连接方式 | 对夹、法兰 | ||
| 设计标准 | GB/T12237-1989 | ||
| 法兰连接尺寸 | GB/T9113.1-2000、JB/T79-94、HG20592-1997 | ||
| 结构长度 | GB/T12221-2005,ISO 5752/EN558-1 | ||
| 压力试验 | GB/T 13927、JB/T9092-1999 | ||
| 适用介质 | 水、蒸汽、空气、泥浆、含有纤维性介质等。 | ||
| 适用温度 | 聚四氟乙烯≤150℃,合金硬密封≤300℃ | ||
| 驱动方式 | 电 动 | ||
| 电动执行器 | ZTD型、ZTHQ型、DZW型、用户指定产品 | ||
| 控制形式 | 开关型、模拟量调节型 | ||
| 防护等级 | IP54/IP67/IP68 | ||
| 电 压 | AC220V/AC380V/AC110V/DC24V | ||
| 公称通径DN | 25 | 32 | 40 | 50 | 65 | 80 | 100 | 125 | 150 | 200 | 250 | 300 | 350 | 400 |
| 流量系数KV | 25 | 40 | 63 | 100 | 160 | 250 | 350 | 680 | 990 | 1600 | 2500 | 4100 | 5800 | 7600 |
| 允许压差△P | 小于公称压力(1.6MPa) | |||||||||||||
| 流量特性 | 等百分比 | |||||||||||||
| 泄 漏 量 | A级(软密封)、V级(硬密封) | |||||||||||||
| 基本误差 | ±1% | |||||||||||||
| 回 差 | ±1% | |||||||||||||
| 死 区 | 0.5% | |||||||||||||
| 可调范围 | 250:1 | |||||||||||||


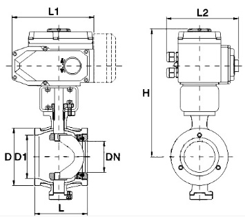
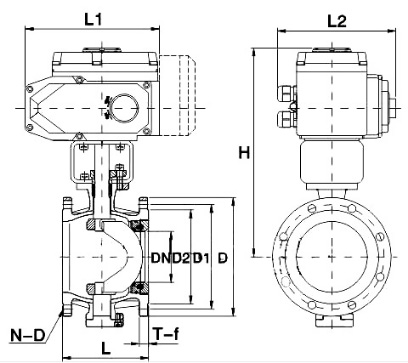
■ 电动V型调节球阀 外形尺寸 单位:mm
| DN | H | L1 | L2 | 对夹式 | 法兰式 | 电动执行器 | |||||||
| L | D | D1 | N-D | L | D | D1 | N-D | ||||||
| 25 | 258 | 161 | 120 | 50 | 68 | 38 | 4-14 | 102 | 115 | 85 | 4-14 | ZTD-05 | ZTHQ-05 |
| 32 | 263 | 161 | 120 | 60 | 76 | 45 | 4-18 | 102 | 135 | 100 | 4-18 | ZTD-05 | ZTHQ-05 |
| 40 | 265 | 161 | 120 | 60 | 84 | 50 | 4-18 | 114 | 145 | 110 | 4-18 | ZTD-08 | ZTHQ-08 |
| 50 | 277 | 188 | 165 | 75 | 100 | 62 | 4-18 | 124 | 165 | 125 | 4-18 | ZTD-10 | ZTHQ-10 |
| 65 | 292 | 188 | 165 | 100 | 118 | 73 | 4-18 | 145 | 185 | 145 | 4-18 | ZTD-15 | ZTHQ-15 |
| 80 | 342 | 268 | 268 | 100 | 132 | 90 | 8-18 | 165 | 200 | 160 | 8-18 | ZTD-20 | ZTHQ-20 |
| 100 | 354 | 268 | 268 | 115 | 158 | 115 | 8-18 | 194 | 220 | 180 | 8-18 | ZTD-40 | ZTHQ-50 |
| 125 | 369 | 268 | 268 | 129 | 184 | 134 | 8-18 | 194 | 250 | 210 | 8-18 | ZTD-60 | ZTHQ-60 |
| 150 | 399 | 268 | 268 | 160 | 216 | 164 | 8-23 | 229 | 285 | 240 | 8-23 | ZTD-100 | ZTHQ-120 |
| 200 | 594 | 368 | 280 | 200 | 268 | 206 | 12-23 | 243 | 340 | 295 | 12-23 | ZTD-200 | ZTHQ-200 |
| 250 | - | - | - | 240 | 326 | 260 | 12-25 | 297 | 405 | 355 | 12-25 | DZW-20 | ZTHQ-300 |
| 300 | - | - | - | - | - | - | - | 338 | 460 | 410 | 12-25 | DZW-30 | ZTHQ-400 |
| 350 | - | - | - | - | - | - | - | 400 | 520 | 470 | 16-25 | DZW-45 | - |
| 400 | - | - | - | - | - | - | - | 400 | 580 | 525 | 16-30 | DZW-60 | - |
以上为配ZTD型电动执行器的尺寸。配ZTHQ型电动执行器的尺寸,以及PN25以上压力的电动球阀配用的电动执行器尺寸,请与销售部联系。
电动V型调节球阀安装图

