上一条:ZTA气动执行器
AW/AWS气动执行器的主要特点 1、AW气动执行器分为双作用式和单作用式(弹簧复位),两个分体气缸,容易制造大尺寸缸体,满足各种大口径角行程类阀门的要求。 2、输出扭矩大,动作灵活平稳;缸体内壁和活塞轴镀硬铬具有很好的抗磨性;所有滑动部件之间配有无油润滑轴和导向环以降低摩擦系数,延长使用寿命。AW气动执行器的U型曲线特性输出扭矩更适合用于大口径球阀和蝶阀等角行程阀门。 | ![]() |

AW/AWS气动执行器的主要特点
1、AW气动执行器分为双作用式和单作用式(弹簧复位),两个分体气缸,容易制造大尺寸缸体,满足各种大口径角行程类阀门的要求。
2、输出扭矩大,动作灵活平稳;缸体内壁和活塞轴镀硬铬具有很好的抗磨性;所有滑动部件之间配有无油润滑轴和导向环以降低摩擦系数,延长使用寿命。AW气动执行器的U型曲线特性输出扭矩更适合用于大口径球阀和蝶阀等角行程阀门。
主要参数
| 基本设计 | 气动双气缸双活塞拨叉式传动机构 |
| 回转角度 | 双作用90°(±5°可调节)/ 单作用90°(±5°可调节) |
| 工作环境温度 | -20~+90℃ |
| 气源压力 | 双作用:0.3~0.8Mpa/ 单作用:0.4~0.8Mpa |
主要零部表
| 序号 | 名称 | 数量 | 序号 | 名称 | 数量 | 序号 | 名称 | 数量 | 序号 | 名称 | 数量 |
| 1 | 箱体 | 1 | 11 | 销轴 | 1 | 21 | 弹性挡圈 | 1 | 31 | 锁紧螺母 | 2 |
| 2 | 拨叉 | 1 | 12 | 滚套 | 2 | 22 | 减磨垫圈 | 1 | 32 | 平垫圈 | 2 |
| 3 | 转轴 | 1 | 13 | 弹性挡圈 | 2 | 23 | O型圈 | 1 | 33 | O型圈 | 2 |
| 4 | 隔板 | 2 | 14 | 无油轴承 | 2 | 24 | O型圈 | 1 | 34 | 调节螺钉 | 1 |
| 5 | 活塞 | 2 | 15 | O型圈 | 2 | 25 | 减磨垫圈 | 1 | 35 | 螺 母 | 8 |
| 6 | 缸体 | 2 | 16 | 导向环 | 2 | 26 | 弹性挡圈 | 1 | 36 | 弹性垫圈 | 8 |
| 7 | 缸盖 | 2 | 17 | O型圈 | 2 | 27 | 平键 | 1 | 37 | 平垫圈 | 8 |
| 8 | 活塞杆 | 1 | 18 | O型圈 | 2 | 28 | O型圈 | 2 | 38 | 双头螺栓 | 8 |
| 9 | 弹簧 | 1-4 | 19 | O型圈 | 2 | 29 | 定位销 | 2 | 39 | ||
| 10 | 弹簧缸 | 1 | 20 | 锁紧螺母 | 2 | 30 | 紧定螺钉 | 1 | 40 |

气动执行器配管原理图


AW双作用气动执行器输出扭矩表 单位:NM
| 型号规格 | 气源压力(MPa) | ||||
| 0.3 | 0.4 | 0.5 | 0.6 | 0.7 | |
| AW14 | 437 | 583 | 729 | 875 | 1021 |
| AW18 | 875 | 1167 | 1458 | 1750 | 2042 |
| AW20 | 1767 | 2356 | 2945 | 3534 | 4123 |
| AW25 | 3191 | 4255 | 5319 | 6383 | 7447 |
| AW28 | 4502 | 6003 | 7504 | 9005 | 10506 |
| AW35 | 8360 | 11147 | 13933 | 16720 | 19507 |
| AW40 | 11011 | 14681 | 18351 | 22022 | 25692 |
| AW50 | 20790 | 27720 | 34650 | 41580 | 48510 |
AWS双作用气动执行器输出扭矩表 单位:NM
| 型 号 规 格 | 气源压力(MPa) | |||||||
| 弹簧扭矩 | 0.4 | 0.5 | 0.6 | |||||
| 最小 | 最大 | 最小 | 最大 | 最小 | 最大 | 最小 | 最大 | |
| AW14S | 349 | 582 | 185 | 340 | 340 | 545 | 490 | 700 |
| AW18S | 709 | 1182 | 600 | 930 | 930 | 1290 | 1230 | 1573 |
| AW20S | 1607 | 2476 | 880 | 1670 | 1600 | 2390 | 2320 | 3110 |
| AW25S | 2489 | 4337 | 1970 | 2880 | 2090 | 4000 | 4210 | 5120 |
| AW28S | 2698 | 5747 | 1250 | 3960 | 2970 | 5685 | 4680 | 7400 |
| AW35S | 5314 | 10457 | 2760 | 7970 | 5900 | 11340 | 9510 | 14720 |
| AW40S | 7091 | 12478 | 4480 | 8860 | 6130 | 13260 | 10300 | 17670 |
| AW50S | 14188 | 25463 | 6370 | 20750 | 14840 | 29220 | 23310 | 37700 |
执行器开关时间表 单位:S
气源管径mm | 8 | 10 | 10 | 12 | 12 | 12 | 12 | 20 |
| 气缸型号 | AW14 | AW18 | AW20 | AW25 | AW28 | AW35 | AW40 | AW50 |
| 开/关时间 | 2 | 3 | 5 | 8 | 12 | 20 | 30 | 45 |
| 气缸型号 | AW14S | AW18S | AW20S | AW25S | AW28S | AW35S | AW40S | AW50S |
| 气动时间 | 3 | 4 | 11 | 12 | 18 | 38 | 45 | 62 |
| 弹簧复位时间 | 2 | 3 | 6 | 7 | 12 | 18 | 28 | 40 |
备注:以上为温度20℃、气源压力为0.5MPa时气缸伍负载时测试数据,仅供参考。
气缸容积及耗气量 单位:L
气缸型号 | AW14 | AW18 | AW20 | AW25 | AW28 | AW35 | AW40 | AW50 |
| 气缸容积A+B | 6 | 12 | 25 | 44 | 62 | 114 | 149 | 280 |
| 气缸型号 | AW14S | AW18S | AW20S | AW25S | AW28S | AW35S | AW40S | AW50S |
| 气缸容积B | 3 | 6 | 12 | 22 | 31 | 57 | 75 | 140 |
气动执行器重量 单位:Kg
气缸型号 | AW14 | AW18 | AW20 | AW25 | AW28 | AW35 | AW40 | AW50 |
| 气缸重量 | 48 | 87 | 152 | 237 | 341 | 587 | 647 | 1318 |
| 气缸型号 | AW14S | AW18S | AW20S | AW25S | AW28S | AW35S | AW40S | AW50S |
| 气缸重量 | 62 | 116 | 202 | 329 | 440 | 737 | 812 | 1667 |
气动执行器配套附件的功能和用途
双作用式:对阀门的开启和关闭的两位式控制。
单作用式(弹簧复位):挡电信号或气源发生故障时,能利用弹簧因压缩而积蓄的能量对阀门实现开启或关闭。
单电控电磁阀:对气源进行换向,线圈得电时气动阀门产生打开或关闭的动作(可提供防爆型)。
双电控电磁阀:对气源进行换向,一个线圈得电时阀门打开,另一个线圈得电时阀门关闭。具有记忆功能,线圈不用长时间通电,延长线圈的使用寿命(可提供防爆型)。
限位开关回讯器:远距离传送阀门的开关位置信号的装置(可提供防爆型)。
电气定位器:根据电流信号(标准4-20mA)的大小对阀门的介质流量进行调节控制。
气源处理三联件:包括开减压阀、过滤器和油雾器。对气源稳压和清洁,并能对执行器运动部件供油,进行润滑作用。
手动操作机构:挡自动控制发生故障时,可以实现手动打开关闭阀门。改机构有自动和手动切换装置,当切换到自动档位是,阀门通过远程控制,手动操作是无效的。

气动执行器附件安装示意图

气动执行器安装调试与维护
使用AW系列气动执行器时,请先确定阀门的扭矩,考虑管道的介质种类。水蒸气或非润滑的介质增加25%的安全系数;非润滑的干气介质增加60%的安全系数;非润滑用气体输送的颗粒粉料介质增加100%的安全系数;对于清洁的无摩擦的润滑介质增加20%的安全系数。然后根据气源工作压力(推荐0.4-0.6MPa),查找双作用或单作用式执行器扭矩表,可得到准确的执行器型号。
气动执行器与阀门的安装是否正确,直接影响到执行器安全操作和使用寿命。合理安装时执行器中心轴必须与阀杆同轴。安装之前应对阀门扭矩进行测定,不应超出所需要的扭矩。装配后,气动执行器与阀门应同时试验,对阀门加压至额定密封压力,执行器以气源0.4-0.6MPa对执行器进行多次的开启和关闭试验,观察是否有停顿和爬行现象,理应开关灵活自如。
气动执行器为现场仪表,应定期进行维护和保养。执行器气源应保持干燥清洁,定期对气源处理三联件进行排污,以免赃物进入电磁阀和执行器,影响正常工作。在正常使用情况下,应每六个月检查一次,每年检修一次。

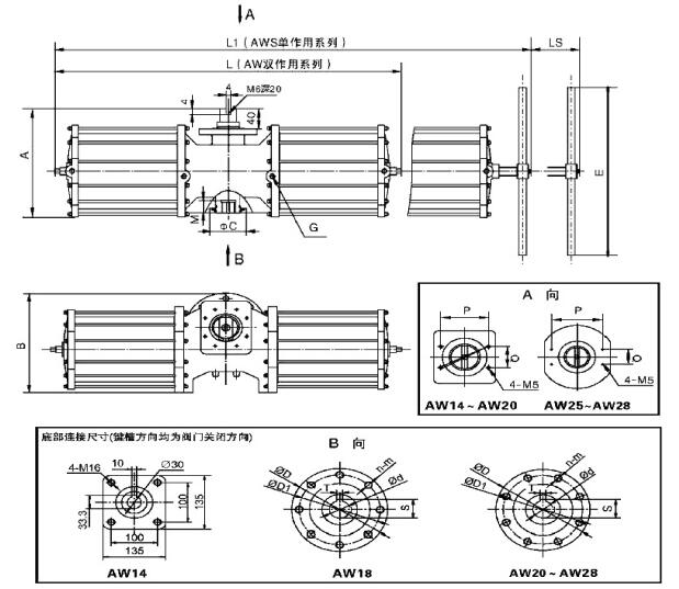
| 型号 | L | L1 | LS | E | A | B | G | P | Q | M | C | D | D1 | d | S | T | n-m |
| AW14 | 750 | 1050 | 100 | 450 | 230 | 210 | 1/4 | 80 | 30 | 30 | 80 | 33 | 10 | 4-16 | |||
| AW18 | 900 | 1200 | 120 | 450 | 280 | 275 | 3/8 | 130 | 30 | 40 | 120 | 190 | 160 | 40 | 43 | 12 | 8-16 |
| AW20 | 1180 | 1520 | 200 | 550 | 325 | 365 | 1/2 | 130 | 30 | 50 | 140 | 235 | 200 | 55 | 59 | 16 | 8-16 |
| AW25 | 1320 | 1700 | 230 | 650 | 390 | 440 | 1/2 | 130 | 30 | 50 | 200 | 300 | 254 | 65 | 69 | 18 | 8-16 |
| AW28 | 1430 | 1970 | 260 | 650 | 410 | 480 | 1/2 | 130 | 30 | 60 | 220 | 325 | 288 | 70 | 75 | 20 | 8-18 |

| 型号 | L | L1 | A | B | G | P | Q | M | C | D | D1 | d | H | H1 | L | T | n-m |
| AW35 | 1950 | 2700 | 450 | 560 | 3/4 | 180 | 60 | 100 | 220 | 350 | 300 | 105 | 100 | 12 | 118 | 25 | 8-24 |
| AW40 | 1950 | 2700 | 500 | 580 | 3/4 | 180 | 60 | 100 | 220 | 350 | 300 | 105 | 100 | 12 | 118 | 25 | 8-30 |
| AW50 | 2340 | 3210 | 615 | 695 | 3/4 | 220 | 60 | 180 | 260 | 415 | 356 | 120 | 180 | 12 | 135 | 32 | 12-36 |