上一条:已经没有了
ZTD电动执行器产品概述
ZTD系列电动执行器用于控制0°~270°旋转的阀门及其他同类产品,如蝶阀、球阀、风门、挡板阀、旋塞阀、百叶阀等,可以广泛应用于石油、化工、水处理、船舶、造纸、电站、供热,轻工等各行业中。它以380V/220V/110V交流电源为驱动电源,以4-20mA电流信号或0-10VDC电压信号为控制信号,可使阀门运动到所需位置,实现其自动化控制,最大输出扭矩达4000N·m。

ZTD电动执行器产品特性
1、壳体:壳体为硬质铝合金,经阳极氧化处理和聚酯粉末涂层,耐腐蚀性强,防护等级为IP67,NEMA4和6,并有IP68和防爆型供选择。
2、电机:全封闭式鼠笼式电机,体积小,扭矩大,惯性力小,绝缘等级为F级,内置过热保护开关,可防止过热损坏电机。
3、手轮:手轮的设计保证安全可靠、省力、体积小。不通电时,扳动离合器手柄可进行手动操作。不用手动时,将扳手置于扳手夹内,方便使用。
4、指示器:指示器安装在中心轴上,可以观察阀门位置。镜面采用凸透镜设计,不积水,观察更方便。
5、加热电阻:防止由于温度和天气变化导致执行器内部水分凝结,保持内部电气元件的干燥。
6、密封性:密封性好,标准产品防护等级是IP67,并可选IP68防护等级。
7、限位开关:机械,电子双重限位。机械限位螺钉可调,安全可靠;电子限位开关由凸轮机构来控制,简单的调整机构能精确并方便地设定位置,无需电池支持。(微动开关接点均为银质触点)
8、自锁:精密的双蜗轮蜗杆机构可高效传输大扭矩,效率高,噪音低(最大50分贝),寿命长有自锁功能,防止反转,传动部分稳定可靠,出厂已经加满高效润滑脂,使用无需再加油。
9、防脱螺栓:拆除外壳时,螺栓附在壳体上,不会脱落。外部螺栓均采用不锈钢材质。
10、安装:底部安装尺寸符合ISO5211/DIN3337国际标准,凹孔成双四方形便于带方杆的阀线性或45°转角安装,适应性强。可以垂直安装,也可以水平安装。
11、控制线路:控制线路符合单相或三相电源标准,线路布置紧凑合理,接线端子可有效满足各种附加功能的要求。
产品升级换代后的特点
A、防护等级达IP68
1、通过改进产品上下盖结合面凹凸结构;
2、透镜结构改良,避免采用化学粘胶剂因现场工况(如高温高压)而导致老化进水。改进后产品完全符合户外使用工况,甚至可以短时间浸水通电使用。(如输出轴油封不磨损,可长时间潜水使用)
B、传动部分更合理、可靠
1、齿轮箱体全部采用铝合金材料,杜绝齿轮箱体开裂问题;
2、齿轮全部采用40铬钢经二次热处理精加工而成,更坚实可靠。
C、电机温升更低
通过加大电机尺寸,在相同的功率下,减小了电容容量,减小了启动电流,减少了发热程度。
D、调试更快捷方便
我们通过改进电气凸轮结构,把四片凸轮整合成两片,并用蝶形弹簧隔离,上面用防松螺帽压紧,改善了其它厂家采用M3螺丝定位不实,不准,滑丝,现场M3扳手不好找等弊端,并能在超高低温环境下,始终保持限位的稳定。
E、调节型更稳定、可靠
1、加大了模块的尺寸,元器件选型范围更大,功率更高;
2、采用弱电控制电源,不会因现场电压不稳定而影响模块质量;
3、采用裸板散热更好;
4、傻瓜型,一键定位,避免用户因按键过多,调试紊乱;
5、采用智能模块外挂式安装,解决执行器最高温度120℃,而模块的电子元器件使用温度只有65℃的矛盾。
F、手动扳手置于箱体上,现场不易丢
G、与阀门装配更便捷可靠
与气动执行器连接阀门的方式是一致的,阀杆是直接插入执行器内部蜗轮处,使得阀门与出力轴的力臂更短,出力更稳定。
ZTD电动执行器性能参数
| 型号 | 输出扭矩 N·M | 动作时间 S | 输出轴mm | 电机 W | 单相额定电流220V | 重量 Kg | |
| 方 | 圆 | ||||||
| ZTD-05 | 50 | 30 | 11×11 | Φ12.6 | 10 | 0.25 | 3.6 |
| 14×14 | |||||||
| ZTD-08 | 80 | 30 | 11×11 | Φ15.7 | 10 | 0.25 | 3.6 |
| 14×14 | |||||||
| ZTD-10 | 100 | 30 | 14×14 | Φ15.7 | 15 | 0.35 | 4.6 |
| 17×17 | Φ18.95 | ||||||
| ZTD-15 | 150 | 30 | 14×14 | Φ18.95 | 15 | 0.37 | 4.6 |
| 17×17 | |||||||
| ZTD-20 | 200 | 30 | 22×22 | Φ22.13 | 45 | 0.3 | 13 |
| ZTD-30 | 300 | 30 | 22×22 | Φ28.48 | 45 | 0.31 | 13.4 |
| ZTD-40 | 400 | 30 | 22×22 | Φ28.48 | 60 | 0.33 | 13.8 |
| ZTD-60 | 600 | 30 | 27×27 | Φ31.65 | 90 | 0.33 | 14 |
| ZTD-80 | 800 | 45 | 27×27 | Φ31.65 | 180 | 0.47 | 14.3 |
| ZTD-100 | 1000 | 135 | 27×27 | Φ31.65 | 180 | 0.47 | 60 |
| ZTD-160 | 1600 | 135 | Maxφ65 | 180 | 0.85 | 60 | |
| ZTD-200 | 2000 | 135 | Maxφ65 | 180 | 0.85 | 60 | |
| ZTD-300 | 3000 | 135 | Maxφ65 | 180 | 0.85 | 60 | |
ZTD电动执行器标准件技术参数
| 外壳 | 防水级别IP67,NEMA 4 and 6 | |
| 电机电源 | 标准:220V AC 单相 可选:110V AC 单相,380/440V AC 3相, 50/60Hz, ±10% 24V DC /110V DC /220V DC | |
| 电机 | 鼠笼式异步电机 | |
| 限位开关 | 开/关,各1个SPDT,250V AC 10A | |
| 辅助限位开关 | 开/关,各1个SPDT,250V AC 10A | |
| 行程 | 90°±10° | 0°~270°可选 |
| 失速防护/操作温度 | 内置过热保护,开115℃±5℃/关97℃±5℃ | |
| 指示器 | 连续的位置指示刻度 | |
| 手动操作 | 机械手柄(可以选配手轮) | |
| 自锁装置 | 蜗轮,蜗杆机构提供自锁 | |
| 机械限位 | 2个外部调整螺栓 | |
| 干燥器 | 7-10W (110/220V AC) | |
| 接线孔 | 2个M18 | |
| 环境温度 | -20℃~+70℃ | |
| 环境温度在零下时,需要在机内安装除湿加热器 | ||
| 室外安装 | 为了避免雨水、阳光直射问题,需要安装保护盖,或选用防护等级IP68 | |
| 流体温度 | 流体温度+65℃以下时使用标准支架或免支架 | |
| 流体温度+65℃以上时使用中温支架 | ||
| 流体温度+180℃以上时使用高温支架 | ||
| 润滑 | 铝基润滑脂(EP 型) | |
| 材料 | 铝合金 | |
| 环境湿度 | 最大90%RH | 非凝结 |
| 抗震性能 | X Y Z 10g,0.2~34 Hz,30分钟 | |
| 外涂层 | 干粉,环氧聚酯 | |
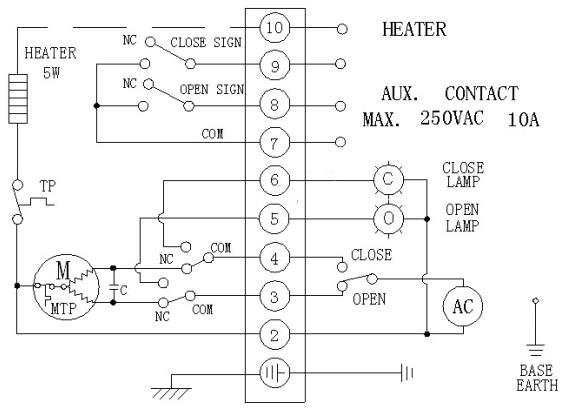
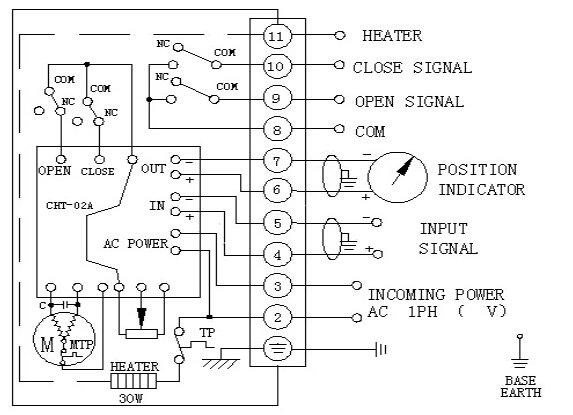
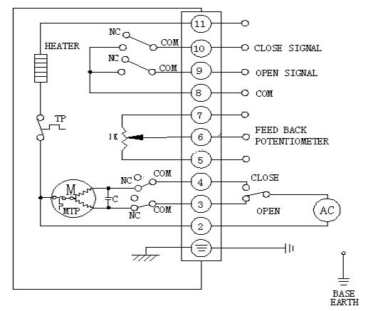
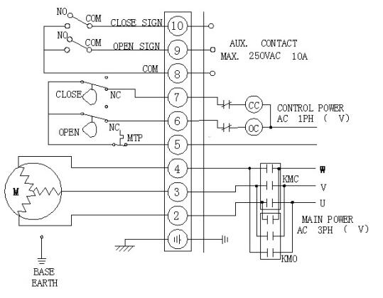
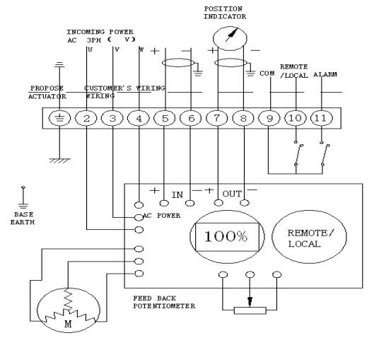
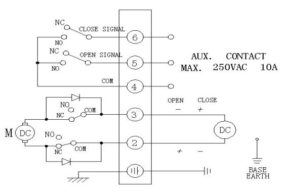
ZTD电动执行器接线图
1. 220VAC(标准开关型)(无源触点信号反馈)

2. 220VAC(标准调节型)(无源触点信号反馈)

3.220VAC(开关型)(电阻值和无源触点信号反馈)

4. 380VAC(标准开关型)(无源触点信号反馈)

5. 380VAC(调节型)(无源触点信号反馈)

6. 24VDC(标准开关型)(无源触点信号反馈)

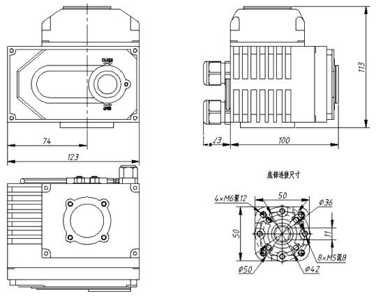
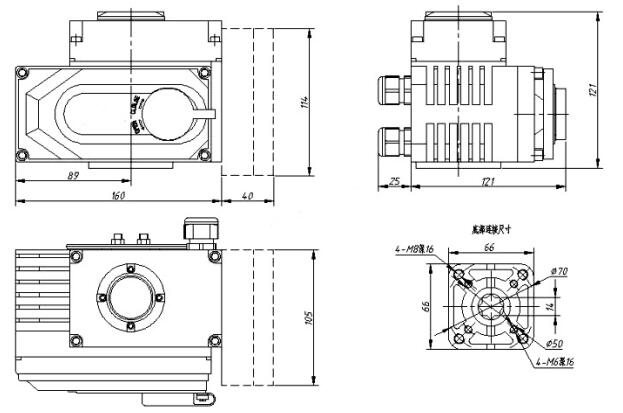
外形尺寸(虚线部分为模拟量控制盒,开关型无此尺寸) 单位:mm
1、ZTD03外观及安装尺寸

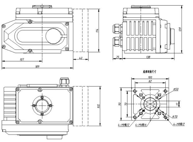
2、ZTD05,ZTD08外观及安装尺寸

3、ZTD10,ZTD15外观及安装尺寸

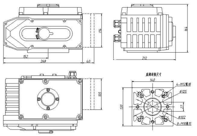
4、ZTD20~100外观及安装尺寸

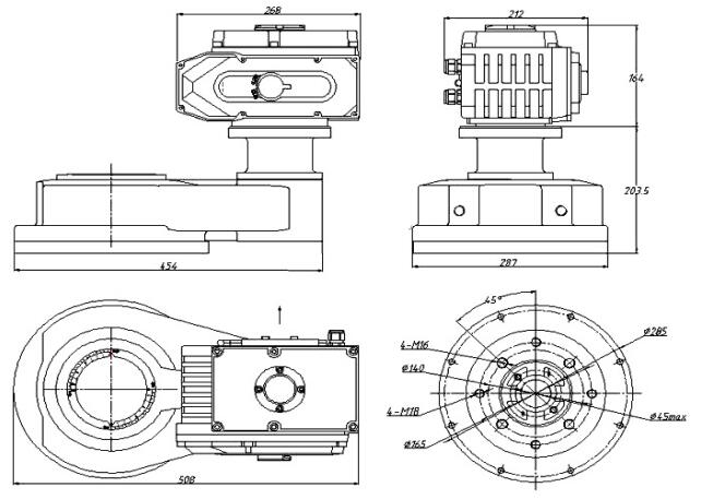
5、ZTD200~300外观及安装尺寸
