上一条:ZTD电动执行器
ZTHQ电动执行器产品概述
ZTHQ系列电动执行器用于控制0°~90°旋转的阀门及其他同类产品,如蝶阀、球阀、风门、挡板阀、旋塞阀、百叶阀等,可以广泛应用于石油、化工、水处理、船舶、造纸、电站、供暖供热、楼宇自控、轻工等各行业中。它以380V/220V/110V交流电源为驱动电源,以4-20mA电流信号或0-10VDC电压信号为控制信号,可使阀门运动到所需位置,实现其自动化控制,最大输出扭矩达4000N•M。(该产品已获得CE与防爆认证证书,产品质量具有保障)

ZTHQ电动执行器产品特性
1、壳体:壳体为硬质铝合金,经阳极氧化处理和聚酯粉末涂层,耐腐蚀性强,防护等级为IP67,NEMA4和6,并有IP68和防爆型供选择。
2、电机:全封闭式鼠笼式电机,体积小,扭矩大,惯性力小,绝缘等级为F级,内置过热保护开关,可防止过热损坏电机。
3、手轮:手轮的设计保证安全可靠、省力、体积小。不通电时,扳动离合器手柄可进行手动操作。通电时,离合器自动复位。电机不通电的状况下,电动执行器将保持永久手动状态。
4、指示器:指示器安装在中心轴上,可以观察阀门位置。镜面采用凸透镜设计,不积水,观察更方便。
5、加热电阻:防止由于温度和天气变化导致执行器内部水分凝结,保持内部电气元件的干燥。
6、限位开关:机械,电子双重限位。机械限位螺钉可调,安全可靠;电子限位开关由凸轮机构来控制,简单的调整机构能精确并方便地设定位置,无需电池支持。(微动开关接点均为银质触点)
7、扭矩开关:可提供过载保护(ZTHQ-05/08/10除外),在阀门卡涩,有异物时,自动断开电机电源,更有效的保护阀门和电动执行器不受损坏。(出厂前已设定好,请用户不要随意更改设置)
8、自锁:精密的双蜗轮蜗杆机构可高效传输大扭矩,效率高,噪音低(最大50分贝),寿命长有自锁功能,防止反转,传动部分稳定可靠,出厂已经加满高效润滑脂,使用无需再加油。
9、防脱螺栓:拆除外壳时,螺栓附在壳体上,不会脱落。外部螺栓均采用不锈钢材质。
10、安装:底部安装尺寸符合ISO5211国际标准,驱动轴套可拆下根据需要进行加工,适应性强。可以垂直安装,也可以水平安装。
11、控制线路:控制线路符合单相或三相电源标准,线路布置紧凑合理,接线端子可有效满足各种附加功能的要求。阀开关到位均有无源接点输出(可根据客户要求另行加工。)
12、智能模块:采用集成度高,功耗很低的单片机与模拟电路混合的控制板,更采用全金属外挂式安装,使执行器电机热源与控制板有效隔离,很大程度地提高了软件及硬件的抗干扰性能及耐温性。
13、阀位数字显示:执行器在打开或关闭过程中,阀位的变化在液晶屏上以大数字方式实时显示。
14、相序自动调整:智能型执行器自动检测接入的三相电源相序,无需用户考虑三相电源的相序问题。

ZTHQ电动执行器结构图

ZTHQ电动执行器性能参数
| 型号 | 最大输出扭矩 | 动作 时间60/50Hz | 最大 轴径 | 电机 F级 | 额定电流(A)60/50HZ | 重量 | |||
| 单相 | 三相 | ||||||||
| N·M | S | mm | W | 110V | 220V | 380V | 440V | Kg | |
| ZTHQ-05 | 50 | 18/22 | φ20 | 20 | 1.10/0.95 | 0.55/0.54 | 0.3/0.3 | N/A | 7.5 |
| ZTHQ-08 | 80 | 18/22 | φ20 | 20 | 1.10/0.95 | 0.55/0.54 | 0.3/0.3 | N/A | 7.5 |
| ZTHQ-10 | 100 | 18/22 | φ20 | 20 | 1.10/0.95 | 0.55/0.54 | 0.3/0.3 | N/A | 7.5 |
| ZTHQ-15 | 150 | 21/25 | φ22 | 40 | 1.65/1.67 | 0.88/0.84 | 0.31/0.31 | 0.30/0.31 | 17.3 |
| ZTHQ-20 | 200 | 21/25 | φ22 | 40 | 1.67/1.67 | 0.89/0.85 | 0.31/0.31 | 0.30/0.31 | 17.3 |
| ZTHQ-30 | 300 | 26/31 | φ35 | 60 | 1.85/1.86 | 0.92/0.92 | 0.35/0.35 | 0.34/0.34 | 22 |
| ZTHQ-50 | 500 | 26/31 | φ35 | 90 | 3.60/3.62 | 1.55/1.58 | 0.59/0.59 | 0.58/0.58 | 23 |
| ZTHQ-60 | 600 | 26/31 | φ35 | 120 | 3.65/3.62 | 1.60/2.20 | 0.60/0.59 | 0.59/0.58 | 23 |
| ZTHQ-80 | 800 | 31/37 | φ45 | 120 | 4.10/4.10 | 2.15/2.20 | 0.85/0.85 | 0.790.79 | 29 |
| ZTHQ-120 | 1200 | 31/37 | φ45 | 180 | 4.20/4.10 | 2.35/2.30 | 0.87/0.87 | 0.81/0.81 | 29 |
| ZTHQ-200 | 2000 | 93/112 | φ65 | 180 | 4.10/4.10 | 2.15/2.20 | 0.85/0.85 | 0.79/0.79 | 75 |
| ZTHQ-300 | 3000 | 93/112 | φ65 | 180 | 4.20/4.10 | 2.35/2.30 | 0.87/0.87 | 0.81/0.81 | 75 |
ZTHQ电动执行器标准件技术参数
| 外壳 | 防水级别IP67,NEMA4and6 | |
| 电机电源 | 标准:220VAC单相 可选:110VAC单相,380/440VAC3相,50/60Hz,±10% 24VDC/110VDC/220VDC | |
| 电机 | 鼠笼式异步电机 | |
| 限位开关 | 开/关,各1个SPDT,250VAC10A | |
| 辅助限位开关 | 开/关,各1个SPDT,250VAC10A | |
| 扭矩开关 | 开/关,各1个SPDT,250VAC10A | ZTHQ-05/08/10除外 |
| 行程 | 90°±10° | 0°~270°可选 |
| 失速防护/操作温度 | 内置过热保护,开115℃±5℃/关97℃±5℃ | |
| 指示器 | 连续的位置指示刻度 | |
| 手动操作 | 机械离合机构,配手轮操作 | |
| 自锁装置 | 蜗轮,蜗杆机构提供自锁 | |
| 机械限位 | 2个外部调整螺栓 | |
| 干燥器 | 7-10W(110/220VAC) | |
| 接线孔 | 2个PF3/4” | |
| 环境温度 | -20℃~+70℃ | |
| 润滑 | 铝基润滑脂(EP型) | |
| 材料 | 钢,铝合金,铝青铜,聚碳酸脂 | |
| 环境湿度 | 最大90%RH | 非凝结 |
| 抗震性能 | XYZ10g,0.2~34Hz,30分钟 | |
| 外涂层 | 干粉,环氧聚酯,具有超强防腐功能 | |
ZTHQ电动执行器可选件技术参数
| 编号 | 可选配置 | 备注 |
| 1 | 防爆执行器(ExdⅡ BT4,ExdⅡ CT6) | ZTHQ 系列 |
| 2 | 防水执行器(IP68,10M,250HR) | ZTHQ 系列 |
| 3 | 电位计(0-1KΩ) | ZTHQ 系列 |
| 4 | 比例控制单元(输入,输出信号4-20mA DC /1-5V /1-10V) | ZTHQ 系列 |
| 5 | 现场控制单元(就地控制 开/停/关选择开关,就地/远程切换) | ZTHQ 系列 |
| 6 | 行程120°,180°,270° | ZTHQ 系列 |
| 7 | 直流电机(24V DC) | ZTHQ 系列 |
| 8 | 附加扭矩开关(SPDT X 2 250V AC 10A) | ZTHQ-05/08/10除外 |
| 9 | 电流位置传感器(输出4-20mA DC) | ZTHQ 系列 |
| 10 | 断电后,电动阀自动开或关控制柜 | ZTHQ 系列 |
| 11 | 耐高温执行器(-10℃~+100℃) | ZTHQ 系列 |
| 12 | 耐低温执行器(-40℃~+70℃) | ZTHQ 系列 |
| 13 | 低速执行器 | ZTHQ 系列 |
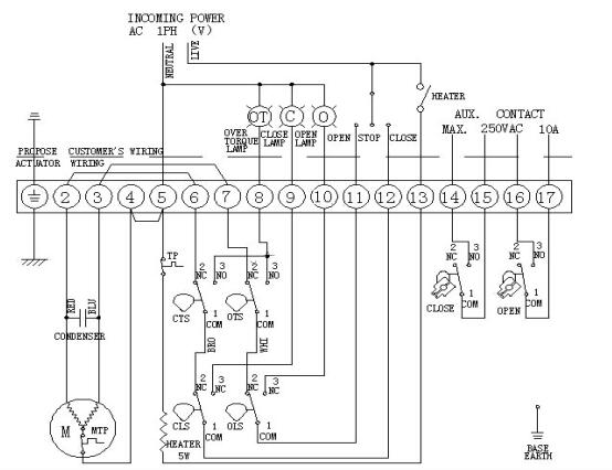
ZTHQ电动执行器接线图
1. ZTHQ-05~10 220VAC(标准开关型)

2. ZTHQ-15~300 220VAC(标准开关型)

3. ZTHQ-05~010 220VAC(调节型)

4. ZTHQ-15~300 220VAC(调节型)

5. ZTHQ-15~300 380VAC(标准开关型)

6. 380VAC(一体化控制开关型)

ZTHQ电动执行器外形图
ZTHQ05,ZTHQ08,ZTHQ15,ZTHQ20,ZTHQ30,ZTHQ50,ZTHQ60,ZTHQ80,ZTHQ120

ZTHQ200,ZTHQ300

| 型号 | C | A | B | D | E | F | G | R | S | X | Y | Z |
| ZTHQ-05 | F07 | M8 | M8 | 20 | 90 | 3 | 40 | - | - | 269.5 | 161 | 233.5 |
| ZTHQ-08 | F07 | M8 | M8 | 20 | 90 | 3 | 40 | - | - | 269.5 | 161 | 233.5 |
| ZTHQ-10 | F07 | M8 | M8 | 20 | 90 | 3 | 40 | - | - | 269.5 | 161 | 233.5 |
| ZTHQ-15 | F07/F10 | M8 | M10 | 22 | 125 | 3 | 45 | - | - | 346 | 240 | 270 |
| ZTHQ-20 | F07/F10 | M8 | M10 | 22 | 125 | 3 | 45 | - | - | 346 | 240 | 270 |
| ZTHQ-30 | F10/F12 | M10 | M12 | 35 | 150 | 3 | 55 | - | - | 358 | 240 | 290 |
| ZTHQ-50 | F10/F12 | M10 | M12 | 35 | 150 | 3 | 55 | - | - | 358 | 240 | 290 |
| ZTHQ-60 | F12/F14 | M12 | M16 | 45 | 180 | 3 | 65 | - | - | 390 | 240 | 322 |
| ZTHQ-80 | F12/F14 | M12 | M16 | 45 | 180 | 3 | 65 | - | - | 390 | 240 | 322 |
| ZTHQ-120 | F12/F14 | M12 | M16 | 45 | 180 | 3 | 65 | - | - | 390 | 240 | 322 |
| ZTHQ-200 | F14/F16 | M16 | M20 | 65 | 245 | 5 | 90 | 233 | 133 | 410 | 319 | 548 |
| ZTHQ-300 | F14/F16 | M16 | M20 | 65 | 245 | 5 | 90 | 233 | 133 | 410 | 319 | 548 |
ZTHQ电动执行器外形图
ZTHQ05,ZTHQ08,ZTHQ15,ZTHQ20,ZTHQ30,ZTHQ50,ZTHQ60,ZTHQ80,ZTHQ120

ZTHQ200,ZTHQ300
